专注精准、高效、可靠的动力传动解决方案
机电一体化成套定制与集成
13736763089
全国咨询热线
当前位置:
产品详情
42系列混合式步进电机
面议
环境温度: -25℃ - 55℃
绝缘电阻: 100MΩ,500V
径向跳动(mm): 0.02mm
轴向间隙(mm): 0.08mm
表面温度: 80℃Max
绝缘等级: B
产品选型

型号
步距角(°)
保持转矩(N.m)
相电流(A)
相电感(mH)
相电阻(Ω)
转子惯量(g.m²)
引线数(No.)
电机重量(Kg)
机身长L(mm)
轴径(mm)
42BYG250-34
1.8
0.28
1.5
2.8
2.4
34
4
0.22
34
5
42BYG250-40 
1.8
0.4
1.5
5.0
2.5
54
4
0.28
40
5
42BYG250-47
1.8
0.50
1.8
3.2
1.8
68
4
0.35
47
5
42BYG250-60 
1.8
0.65
2.2
2.5
1.4
80
4
0.45
60
5


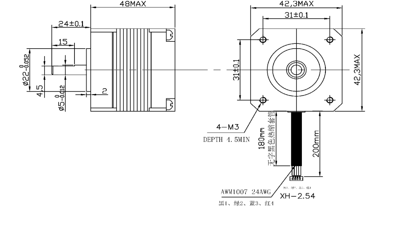
电机线颜色定义


A+黑色;A-绿色,B+红色;B-蓝色 


外形尺寸图










扫码联系我们
137-3676-3089
刘经理
09:00 - 17:30
首页
首页
首页
首页
首页
首页
伺服系列
步进系列
解决方案
Copyright © 温州三卓智能科技有限公司 All Rights Reserved
电话:+86 137-3676-3089
地址:浙江省温州市乐清市纬十七路261号
网址:www.wzsanzhuo.cn 浙ICP备2025184634号-1
扫一扫手机浏览
支持 反馈 订阅 数据
回到顶部